Monitoring 110 V DC Digital Inputs in Railways with Dewesoft

March 12, 2026
Monitoring 110 V DC digital inputs is vital for railways, power plants, and other critical infrastructure where these lines both power essential systems and communicate operational status. To ensure safe, synchronized acquisition alongside analog data, engineers must adapt these high-voltage digital signals for modern data acquisition systems — without compromising accuracy or safety. Learn about two proven approaches: a voltage divider circuit and a dry-contact relay interface.

Introduction
In various critical infrastructures, particularly in the railway sector, encompassing both rail lines and trains, 110V DC lines are a widely adopted standard for distributing energy to auxiliary subsystems. These auxiliary systems are vital to the continuous, safe operation of these networks, powering everything from control mechanisms to interior lighting and communication systems.
Beyond their primary function of power delivery, 110V DC lines are also widely used to transmit digital signals. Combining power and communication on 110V DC lines is possible using power-line communication (PLC), which superimposes data signals onto the power lines using high-frequency modulation. You often achieve this transmission by integrating dry-contact relays, which act as switches that open or close in response to changes in the system's operational status.
When a specific system parameter shifts—for example, a circuit breaker trips, a door opens, or a signal changes—the corresponding relay commutes, switching the status of a 110V DC line. Such transmission provides a robust and reliable means of conveying critical information across the network.
While 110 V DC signaling is most common in railway networks, engineers use similar dual-purpose lines in power plants, factories, and marine systems — where reliability and simplicity take precedence over high-speed communication. In all cases, the same challenge applies: safely capturing the logic state of medium-voltage DC signals for monitoring and diagnostics.
Where safety, reliability, and simplicity are more important than data bandwidth, dual-function DC lines remain in use. Instead of complex data protocols, a simple energized/not energized status provides fast, fail-safe monitoring.
The issue
During commissioning, maintenance, or fault diagnostics, engineers must capture digital status signals simultaneously with analog measurements such as current, voltage, or vibration. Synchronizing these signals is essential for understanding system behavior in real time — for example, correlating a relay trip event with a power fluctuation or vibration spike. The challenge lies in doing this safely and without disturbing the system’s operation.
Therefore, it is essential to execute the acquisition process reliably without interfering with the line's ongoing operation. Any disturbance, however minor, could lead to system instability or operational disruptions. This condition necessitates the use of non-invasive measurement techniques and carefully designed interface circuitry that does not draw excessive current or introduce unwanted electrical noise into the system, ensuring the safety and integrity of the process.
Compatibility with DAQ inputs
A significant challenge in reading the logic state of a 110 V DC line is the electrical incompatibility with standard electrically isolated Digital Inputs (DI) of data acquisition systems (DAQs). Many industrial or mobile DAQs — including Dewesoft systems — feature:
Isolated digital inputs
Typically compatible with logic levels from 5 V to 24 VMaximum rated voltage
On the input, typically ±40 VLimited overvoltage protection
Directly connecting a 110 V DC line to a digital input would permanently damage the acquisition device and pose serious electrical safety hazards. An intermediate interface is therefore required to adapt the signal to the DAQ input levels safely.
Proposed solutions
Any interface used to adapt 110 V DC signals to a DAQ system must satisfy three fundamental design criteria:
Electrical safety: Prevent overvoltage damage and protect operators.
Signal integrity: Avoid loading the circuit or distorting the logic state.
Synchronization: Ensure compatibility with DAQ digital inputs for simultaneous acquisition with analog channels.
Two practical approaches meet these requirements for safely acquiring a 110 V DC line using the DAQ’s digital, electrically isolated inputs: The voltage divider and the dry-contact relay interface.
Recommended Dewesoft modules
KRYPTON DAQ modules: KRYPTONi-16xDI or KRYPTONi-8xDI-8xDO
IOLITE DAQ modules: IOLITE-32xDI
Voltage divider
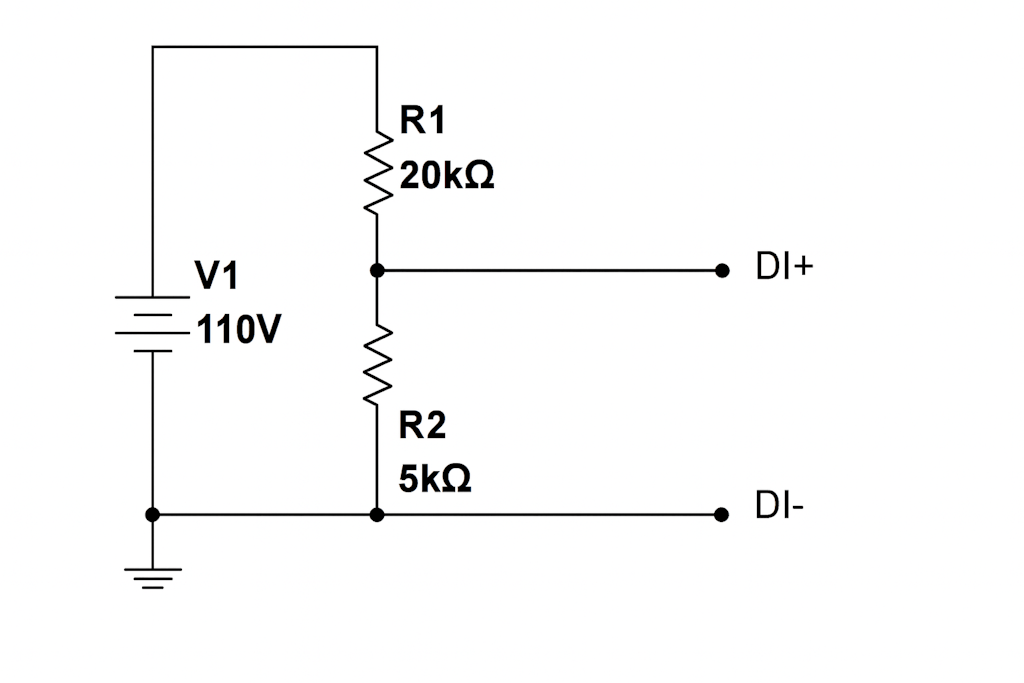
A reliable and straightforward solution involves a voltage divider composed of high-value resistors connected between the 110 V line and ground. The midpoint of the divider is connected to the DAQ's digital input, ensuring the input sees a much lower, compliant voltage.
However, DAQ digital inputs typically have an impedance comparable to that of the circuit they measure (1–100 kΩ). This condition can cause voltage drops at the divider output, potentially affecting the circuit under test. The input impedance shortcoming means that the voltage at the measurement point drops when the DI is connected, potentially falling below the minimum activation threshold.
In the voltage divider method, you must choose the resistor values R1 and R2 so that:
The output voltage (Vout) at the midpoint matches the DAQ’s digital input range (typically 5–24 V).
The resistors can safely dissipate the power from the 110 V DC line without overheating.
The R1 and R2 values in Figure 1 schematics are shown as an example, calculated for compatibility with the following Dewesoft devices:
KRYPTONi-16xDI
KRYPTONi-8xDI-8xDO
For other devices, Dewesoft recommends checking against the specific DI module specs or contacting the Dewesoft Global support network.
The principle behind this is that you must size R1 and R2 values so that:
The divided voltage < DAQ DI channel max voltage rating when connecting the voltage divider to the DI,
Power dissipation remains acceptable for heat dissipation, and
The DAQ's input impedance minimizes the voltage at the measurement point (which implies that the divider resistance is as small as allowed by power-consumption restrictions).
Optionally, a TVS diode or Zener clamp, both protection devices that can “catch” voltage spikes before they can damage sensitive electronics, can be added for transient protection.
Dry-contact relay interface
A safer, fully isolated approach uses the 110 V DC line to activate a dry-contact relay, which in turn switches a local 12V to the DAQ input.
The output contacts of a dry contact relay act like a simple mechanical switch — they don’t supply any voltage or current themselves. Instead, they open or close to connect or disconnect an external circuit. ‘Dry’ means there is no internal voltage source on the output side.
The relay contacts are electrically isolated and carry only the voltage and current supplied from outside. In simpler terms, a dry-contact relay is like a light switch you can turn on or off, but it doesn't have its own power source; it just connects or disconnects power from another source.
The dry-contact relay interface is ideal for environments demanding galvanic isolation, electrical safety, and compliance with railway standards, e.g., EN 50155. It eliminates direct electrical coupling between the 110 V line and the DAQ system, reducing risk during maintenance or testing.
With this setup, you need to size R1 to comply with the relay specifications. Overall, the solution provides these advantages:
Complete galvanic isolation between the 110 V DC line and the DAQ system.
Fully low-voltage operation on the DAQ side.
Rugged reliability, compliant with railway safety standards (e.g., EN 50155).
Immunity to electrical noise and transients.
| Feature | Voltage Divider | Dry-Contact Relay |
|---|---|---|
| Electrical isolation | ✗ None | ✓ Complete |
| Complexity | Simple (2 resistors) | Moderate (external relay + PSU) |
| Cost | Low | Medium |
| Reliability | Good | Excellent |
| Maintenance | Minimal | Minimal |
| Typical use | Bench testing, lab diagnostics | Railways, substations, field systems |
Safety notice
Always verify component ratings, isolation levels, and wiring before connecting to live 110 V DC systems. Use proper fusing, grounding, and protection devices in accordance with IEC/EN safety standards.
Conclusions
We have evaluated two interface solutions for safely acquiring 110 V DC digital inputs with Dewesoft systems.
The voltage divider approach is economical and straightforward, requiring only resistors, but it demands careful sizing to avoid voltage drops, excessive heat, or loading effects from DAQ input impedance.
The voltage divider solution does not require any additional external relay, but only two resistors. You must calculate the resistor values to limit unwanted coupling between the voltage divider and the digital input impedance while minimizing heat generation from the Joule effect.
Although it requires external components, the dry-contact relay solution provides complete galvanic isolation, low-voltage operation, and greater robustness, making it the most reliable option for critical railway and infrastructure applications.
The dry contact relay solution is error-proof and straightforward. Closing the isolated 12V DC voltage source to the DI+ input ensures low-voltage operation and decouples the 110V DC line from the instrument and the operator.
Both approaches enable safe, reliable, and synchronized acquisition of 110 V DC logic signals with Dewesoft data acquisition systems.
The voltage divider offers simplicity and cost-efficiency for less demanding setups.
The dry-contact relay ensures complete isolation and rugged reliability for critical railway and industrial applications.
By combining these interface techniques with Dewesoft’s high-speed, synchronized data acquisition capabilities, engineers can capture every critical event — safely, accurately, and in perfect correlation with analog data.




